

آی سی FSL306LRN
نام قطعه: آی سی FSL306LRN
نام کارخانهای: FSL306LRN
فرکانس 50 کیلو هرتز
ولتاژ خروجی 85 ولت
توان خروجی 7 وات
توپولوژی Boost, Buck, Flyback
نوع نصب روی برد Through Hole
کمترین ولتاژ تغذیه -0.3 ولت
بیشترین ولتاژ تغذیه 26 ولت
حداقل دمای عملیاتی -40 درجه سانتیگراد
حداکثر دمای عملیاتی +125 درجه سانتیگراد
تعداد در بسته: 50 عدد
برند: Fairchild Semiconductor
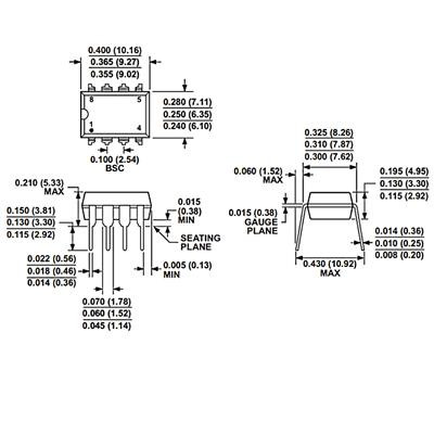
پکیج: DIP-8
بستهبندی: Tube
عنوان گروه: AC/DC Converters
دیتاشیت: FSL306LRN
توضیحات: AC/DC Converters FPS for consumer AC/DC Converters FPS for consumer
Frequency 50 kHz
Output Voltage 85 V
Output Power 7 W
Topology Boost, Buck, Flyback
Mounting Style Through Hole
Supply Voltage (Min) -0.3 V
Supply Voltage (Max) 26 V
Minimum Operating Temperature -40 C°
Maximum Operating Temperature +125 C°
Brand Fairchild Semiconductor
Package DIP-8
FSL306LRN، محصولی پیشرفته از شرکت onsemi، یک سوئیچ قدرت یکپارچه 650 ولتی است که به طور خاص برای کاربردهای مبدلهای آفلاین باک (Buck)، باک-بوست (Buck-Boost) و فلایبک غیر ایزوله (Non-Isolated Flyback) طراحی شده است. این تراشه با ترکیب یک مدولاتور عرض پالس (PWM) و SenseFET، عملکردی بهینه را با حداقل قطعات خارجی ارائه میدهد و راهحلی کمهزینه و کارآمد برای منابع تغذیه سوئیچینگ (SMPS) فراهم میکند.
ویژگیهای کلیدی FSL306LRN
-
رگولاتور قدرت ولتاژ بالا: این تراشه با رگولاتور داخلی 10 ولت، نیازی به سیمپیچ بایاس خارجی ندارد که طراحی مدار را سادهتر و هزینهها را کاهش میدهد.
-
مصرف انرژی فوقالعاده پایین: در حالت استندبای، FSL306LRN با بهرهگیری از عملکرد Burst-Mode و سوئیچ راهاندازی ولتاژ بالا، مصرف انرژی را به کمتر از 25 میلیوات (با بایاس خارجی) و 120 میلیوات (بدون بایاس خارجی) در ورودی 230 ولت AC میرساند.
-
حفاظتهای پیشرفته: این محصول مجهز به حفاظتهای متعددی از جمله حفاظت در برابر اضافهبار (OLP)، حفاظت در برابر ولتاژ بیش از حد (OVP)، حفاظت حلقه باز فیدبک (FB_OLP) و حفاظت در برابر جریان غیرعادی (AOCP) است.
-
راهاندازی نرم (Soft-Start): عملکرد راهاندازی نرم این تراشه، از شوکهای ناگهانی در هنگام روشن شدن جلوگیری کرده و پایداری سیستم را افزایش میدهد.
-
کاهش نویز EMI: با استفاده از تکنیک Leading-Edge Blanking (LEB) و کاهشدهنده EMI داخلی، نویز الکترومغناطیسی به حداقل میرسد.
-
مدیریت حرارتی: قابلیت خاموشی حرارتی (TSD) از آسیب به تراشه در دماهای بالا جلوگیری میکند.
-
آمپلیفایر ترنسکنداکتانس داخلی: این ویژگی نیاز به قطعات خارجی برای جبرانسازی فیدبک را کاهش داده و طراحی را سادهتر میکند.
مزایای استفاده از FSL306LRN
FSL306LRN به دلیل طراحی هوشمندانه و ویژگیهای پیشرفتهاش، انتخابی ایدهآل برای طراحان سیستمهای تغذیه کممصرف است. این تراشه با کاهش تعداد قطعات خارجی، هزینههای تولید و پیچیدگی طراحی را به حداقل میرساند. همچنین، مصرف انرژی پایین آن در حالت استندبای، این محصول را برای کاربردهای حساس به انرژی مانند آداپتورهای AC-DC، شارژرها، و سیستمهای روشنایی LED مناسب میسازد.
کاربردها
-
آداپتورهای AC-DC: مناسب برای شارژرهای گوشیهای هوشمند، تبلتها و دستگاههای الکترونیکی قابل حمل.
-
منابع تغذیه کممصرف: ایدهآل برای دستگاههایی که نیاز به مصرف انرژی پایین در حالت استندبای دارند.
-
سیستمهای روشنایی LED: مناسب برای درایورهای LED با راندمان بالا.
-
لوازم خانگی هوشمند: قابل استفاده در دستگاههای خانگی که نیاز به منابع تغذیه پایدار و کممصرف دارند.
سوالات متداول (FAQ)
1. FSL306LRN برای چه نوع مبدلهایی مناسب است؟
FSL306LRN به طور خاص برای مبدلهای آفلاین باک، باک-بوست و فلایبک غیر ایزوله طراحی شده است. این تراشه با ویژگیهای پیشرفتهای مانند رگولاتور ولتاژ بالا و حفاظتهای چندگانه، برای کاربردهای کممصرف و با راندمان بالا ایدهآل است.
2. آیا FSL306LRN نیاز به قطعات خارجی برای عملکرد دارد؟
این تراشه با دارا بودن رگولاتور داخلی 10 ولت و آمپلیفایر ترنسکنداکتانس، نیاز به قطعات خارجی را به حداقل میرساند. این ویژگی باعث کاهش هزینهها و سادهسازی طراحی مدار میشود.
3. چگونه FSL306LRN مصرف انرژی را در حالت استندبای کاهش میدهد؟
FSL306LRN با استفاده از عملکرد Burst-Mode و سوئیچ راهاندازی ولتاژ بالا، مصرف انرژی را در حالت استندبای به کمتر از 25 میلیوات (با بایاس خارجی) و 120 میلیوات (بدون بایاس خارجی) در ورودی 230 ولت AC کاهش میدهد.
چرا FSL306LRN را انتخاب کنید؟
اگر به دنبال یک راهحل قابل اعتماد، کممصرف و با کارایی بالا برای طراحی منابع تغذیه سوئیچینگ هستید، FSL306LRN انتخابی بینظیر است. این محصول با ترکیب فناوریهای پیشرفته و حفاظتهای جامع، عملکردی پایدار و ایمن را در کنار صرفهجویی در هزینه و انرژی ارائه میدهد.
خرید FSL306LRN
برای تهیه این محصول با کیفیت و اطمینان از اصالت آن، پیشنهاد میکنیم به وبسایت E366.ir مراجعه کنید. این فروشگاه معتبر، انواع قطعات الکترونیکی از جمله FSL306LRN را با قیمت مناسب و خدمات پس از فروش عالی ارائه میدهد.