

L234D2
L234D2
ندارد
توضیحات
نام قطعه: L234D2
نام کارخانهای: L234D2
برند: STMicroelectronics
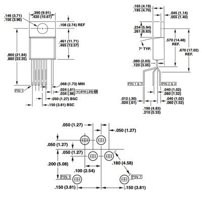
پکیج: Multiwatt-7
بستهبندی: Tube
عنوان گروه: IC Part Unknown
دیتاشیت: L234D2
توضیحات:
نام کارخانهای: L234D2
برند: STMicroelectronics
پکیج: Multiwatt-7
بستهبندی: Tube
عنوان گروه: IC Part Unknown
دیتاشیت: L234D2
توضیحات:
نقد و بررسی
برند STMicroelectronics
پکیج Multiwatt-7
Brand STMicroelectronics
Package Multiwatt-7
پکیج Multiwatt-7
Brand STMicroelectronics
Package Multiwatt-7
نظرات