

میکروکنترلر PIC12F629-I/P پکیج DIP-8
Series
PIC12F
Core
PIC 8-bit RISC
Number of I/Os
6
Data RAM Size
64 Bytes
Program Memory Size
1.75 KB
EEPROM Size
128 Bytes
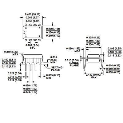
Package
DIP-8
Minimum Operating Temperature
-40°C
Data Bus Width
8-bit
Mounting Style
Through Hole
Operating Supply Voltage
2 V ~ 5.5 V
Maximum Clock Frequency
20 MHz
Maximum Operating Temperature
+85°C
Packaging
Tube
نام قطعه: PIC12F629I/P
نام کارخانهای: PIC12F629I/P
تعداد در بسته: 50 عدد
برند: Microchip Technology
پکیج: DIP-8
بستهبندی: Tube
عنوان گروه: 8-bit Microcontrollers - MCU
توضیحات: 8-BIT F:1K EE:128B S:64B Flash Based 8-Bit Coms Microcontrollers; Program Flash:1024*14 - Eeprom:128Bytes - Sram:64Bytes
میکروکنترلر PIC12F629-I/P – راهنمای کامل مشخصات، دیتاشیت، برنامه نویسی و خرید
میکروکنترلر PIC12F629-I/P یکی از محبوبترین میکروکنترلرهای ۸ بیتی خانواده PIC شرکت Microchip است که به دلیل اندازه کوچک، مصرف پایین انرژی و قابلیتهای قدرتمند، در پروژههای الکترونیکی، رباتیک، سیستمهای شده و کاربردهای صنعتی بسیار مورد توجه مهندسان و علاقهمندان قرار گرفته است. این میکروکنترلر با پکیج DIP-8 (و نسخه SMD) عرضه میشود و گزینهای ایدهآل برای پروژههایی است که نیاز به فضای کم و عملکرد قابل اعتماد دارند.
اگر به دنبال خرید PIC12F629-I/P، دانلود دیتاشیت PIC12F629، آموزش برنامه نویسی PIC12F629 یا مقایسه با مدلهای مشابه مانند PIC12F675 هستید، این مقاله کاملترین منبع برای شماست.
مشخصات فنی کلیدی میکروکنترلر PIC12F629-I/P
- هسته پردازشی: ۸ بیتی PIC با معماری RISC (فقط ۳۵ دستورالعمل)
- حافظه برنامه: ۱.۷۵ کیلوبایت فلش (۱۰۲۴ ورد × ۱۴ بیت)
- حافظه داده RAM: ۶۴ بایت
- حافظه EEPROM: ۱۲۸ بایت (مناسب ذخیرهسازی تنظیمات دائمی)
- فرکانس کاری: تا ۲۰ مگاهرتز
- اسیلاتور داخلی: ۴ مگاهرتز با دقت ±۱% (نیازی به کریستال خارجی نیست)
- پایههای ورودی/خروجی: ۶ پایه GPIO قابل برنامهریزی
- تایمرها: Timer0 (۸ بیتی)، Timer1 (۱۶ بیتی) و Watchdog Timer
- مقایسهگر آنالوگ: یک عدد (مناسب برای تشخیص سطوح ولتاژ)
- ولتاژ کاری: ۲ تا ۵.۵ ولت (مناسب پروژههای باتریخور)
- مصرف انرژی: بسیار پایین (کمتر از ۱ میلیآمپر در حالت فعال و نانوآمپر در حالت Sleep)
- دمای کاری: نسخه صنعتی -۴۰ تا +۱۲۵ درجه سانتیگراد
- پکیج: PDIP-8، SOIC-8، DFN-8
این ویژگیها باعث شده PIC12F629-I/P در مقایسه با میکروکنترلرهای AVR یا ARM در پروژههای کوچک، برتری چشمگیری از نظر مصرف انرژی و سادگی داشته باشد.
کاربردهای رایج PIC12F629-I/P
- کنترل روشنایی و رلههای هوشمند
- سنسورهای دما، نور و حرکت
- پروژههای رباتیک ساده
- تایمرها و شمارندههای صنعتی
- سیستمهای امنیتی و قفلهای الکترونیکی
- جایگزین مناسب برای مدارهای منطقی قدیمی (۷۴ سری)
به دلیل اسیلاتور داخلی دقیق و مقایسهگر آنالوگ، این میکرو در پروژههایی که نیاز به حداقل قطعات خارجی دارند، بسیار محبوب است.
برنامه نویسی میکروکنترلر PIC12F629-I/P
برای برنامهنویسی این میکرو از نرمافزار MPLAB X IDE (رایگان از سایت Microchip) و کامپایلرهای XC8 استفاده میشود. زبانهای پشتیبانیشده:
- اسمبلی (سریعترین)
- C (با XC8 – پیشنهادی)
- Basic (با MikroBasic یا GreatCow Basic)
پروگرامرهای پیشنهادی: Pickit 3، Pickit 4 یا ICD3 که از برنامهنویسی داخل مدار (ICSP) پشتیبانی میکنند.
خرید میکروکنترلر PIC12F629-I/P اورجینال
برای تهیه نسخه اورجینال و با کیفیت PIC12F629-I/P (پکیج DIP یا SMD) با گارانتی اصالت کالا، پیشنهاد ما فروشگاه معتبر e366.ir است که موجودی دائمی، ارسال سریع و پشتیبانی فنی عالی دارد. این سایت یکی از بهترین منابع برای خرید انواع میکروکنترلرهای PIC با ضمانت بازگشت کالا میباشد.
سوالات متداول (FAQ)
۱. تفاوت PIC12F629-I/P با PIC12F675 چیست؟ PIC12F675 دقیقاً مشابه PIC12F629 است با این تفاوت که دارای مبدل آنالوگ به دیجیتال (ADC) ۱۰ بیتی با ۴ کانال است، در حالی که PIC12F629 فاقد ADC بوده و فقط مقایسهگر آنالوگ دارد. اگر پروژه شما نیاز به خواندن سیگنال آنالوگ دقیق دارد، PIC12F675 را انتخاب کنید.
۲. آیا برای PIC12F629-I/P نیاز به کریستال خارجی است؟ خیر! این میکرو دارای اسیلاتور داخلی ۴ مگاهرتز بسیار دقیق (±۱%) است و در اکثر پروژهها نیازی به کریستال خارجی نیست. این ویژگی باعث کاهش هزینه و فضای برد میشود.
۳. بهترین پروگرامر برای برنامه نویسی PIC12F629 کدام است؟ Pickit 3 یا Pickit 4 اصلی Microchip بهترین گزینه هستند. همچنین پروگرامرهای کلون چینی ارزانتر هم کار میکنند، اما برای اطمینان از کیفیت، نسخه اورجینال را انتخاب کنید.